电话:
86 400-863-2919
得益于我们全面且多样化的成型解决方案,我们能够通过挤压成型生产各种类型的棒材,并可直接压制各种毛坯,例如旋转锉毛坯、圆盘刀具等。
根据应用需求开发的特殊牌号,以及自主研发的高精度冲压模具,能够实现更严格的公差控制,从而确保交付给您的产品具有更高的性能。
可选牌号:
提供多种牌号。
特点及应用:
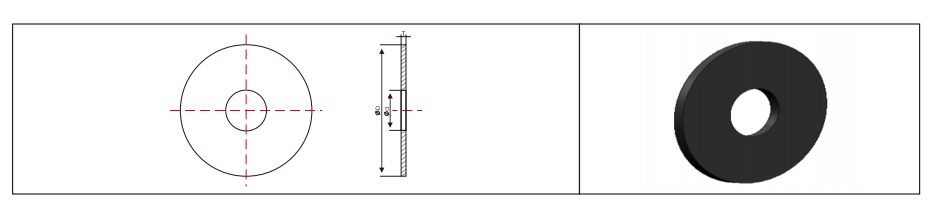
圆盘刀具毛坯主要用于加工有色金属、钢合金、不锈钢、钛合金。
硬度高,易于焊接,性能稳定。
也可用于加工复合材料。
可用于铣槽和切削刀具。
采用低压烧结工艺,致密度高,硬度高。
适用于加工钢、铸铁、不锈钢、耐热钢、镍钛合金等材料。
经精密磨削后,可获得镜面光洁度。
| 牌号 | 粘结相含量 | 硬度 | 抗弯强度 | 密度 | 晶粒度 | ISO 标准代号 | |
| % | HRA | HV10 | ≥N/mm2 | g/cm3 | |||
| CK10H | 6 | 91.3 | 1530 | 2500 | 14.90 | 中晶 | K10 |
| 旋转锉毛坯的理想牌号。 | |||||||
| MH7 | 6 | 93.1 | 1850 | 3600 | 14.85 | 亚微米级 | K10-K20 |
| 硬质合金长条标准牌号,用于切削铜、铝等有色金属。 | |||||||
| MH10F | 10 | 91.8 | 1600 | 3800 | 14.45 | 亚微米级 | K30 |
| 硬质合金长条、圆盘刀具标准牌号,用于加工各类钢材。 | |||||||
| CS43 | 12 | 92.5 | 1720 | 4500 | 14.2 | 超细晶 | K40 |
| 硬质合金长条、圆盘刀具标准牌号,用于加工不锈钢。 | |||||||
以上数据为典型参数。

| D | Tol. | d | Tol. | T ToL.+0.2~0.3 |
| 11.0 | 0/+0.5 | 4.0 | -0.3/0 | 0.6~2.5 |
| 17.2 | 4.5 | |||
| 19.0 | 7.3 | |||
| 19.0 | 5.3 | |||
| 20.0 | 7.3 | 0.6~3.5 | ||
| 21.5 | 5.3 | |||
| 30.2 | 5.5 | |||
| 31.2 | 9.5 | |||
| 41.2 | 7.3 | 0.6~4.2 | ||
| 41.2 | 12.2 | |||
| 41.2 | 14.8 | -0.4/0 | ||
| 46.0 | 15.0 | |||
| 51.5 | 11.5 | 0.7~4.5 | ||
| 51.5 | 15.0 | |||
| 51.5 | 20.8 | |||
| 51.5 | 24.5 | |||
| 54.5 | 15.0 | |||
| 61.5 | 15.0 | |||
| 61.5 | 21.4 | |||
| 61.5 | 24.5 | |||
| 62.5 | 0/+0.8 | 16.0 | 0.7~4.5 | |
| 62.5 | 14.7 | |||
| 62.5 | 15.8 | |||
| 64.5 | 14.8 | |||
| 66.5 | 14.5 | |||
| 66.5 | 15.0 | |||
| 66.5 | 21.0 | |||
| 71.5 | 14.5 | 0.7~5.0 | ||
| 71.5 | 15.3 | |||
| 71.5 | 24.5 | |||
| 71.5 | 20.5 | |||
| 75.5 | 20.5 | |||
| 75.5 | 15.0 | |||
| 75.5 | 24.0 | |||
| 81.5 | 20.5 | |||
| 81.5 | 24.5 | |||
| 102.0 | 0/+1.0 | 20.5 | ||
| 102.0 | 65.0 | -0.7/0 | ||
| 109.0 | 60.0 | |||
| 152.0 | 30.5 | -0.5/0 |
以上数据为典型参数。


| T (mm) | Tol. | W(mm) | Tol. | L(mm) | Tol. |
| 1.5-4.0 | +0.2/+0.5 | 4.0 | +0.2/+0.7 | 330 | +1.0/+6.0 |
| 1.5-5.0 | 5.0 | ||||
| 1.5-6.0 | 6.0 | ||||
| 1.5-7.0 | 7.0 | ||||
| 1.5-8.0 | 8.0 | ||||
| 1.5-10.0 | 10.0 | ||||
| 1.5-12.0 | 12.0 | ||||
| 2.0-8.0 | 14.0 | ||||
| 2.0-8.0 | 15.0 | ||||
| 2.0-8.0 | 16.0 | ||||
| 2.0-8.0 | 18.0 | ||||
| 2.0-8.0 | 20.0 | ||||
| 2.0-8.0 | 22.0 | ||||
| 2.0-8.0 | 25.0 | ||||
| 2.0-8.0 | 26.0 | ||||
| 2.0-8.0 | 30.0 | ||||
| 2.0-8.0 | 32.0 | ||||
| 2.0-8.0 | 35.0 | ||||
| 2.0-8.0 | 40.0 | ||||
| 2.0-8.0 | 45.0 |
以上数据为典型参数。
您的成功始于点击: 立即联系我们!